|
WTH-118-2W (470om-2Mom)
| Регулярные поставки, Поставка по предварительному заказу | |
Сегодня, 00:25:45 |
| ЦЕНА розничная: 120руб | от 10шт: 100руб | от 100шт: дог.руб |
|
|
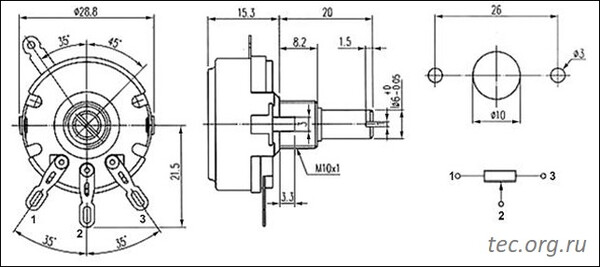
Потенциометры (переменные резисторы) общего применения серии WTH118 имеют углеродистый плёночный резистивный элемент. Контакты под проводную пайку. Способ монтажа на панель в отверстие диаметром 10 мм с фиксацией гайкой.
Переменные резисторы WTH118 применяются в качестве потенциометров или реостатов в составе электронных и электротехнических устройств в схемах регулирования громкости звука, яркости освещения, скорости вращения двигателей и т.п., где регулирование параметра осуществляется путем изменения напряжения или тока.
Основные характеристики потенциометров WTH-118:
|
Номинальная мощность
|
2Вт
|
| Диапазон сопротивления |
470ом..2,0Мом |
|
Допуск сопротивления
|
20%
|
|
Максимальное напряжение
|
250В
|
|
Угол регулировки
|
260°10
|
| Напряжение шумов |
<47мВ |
|
Сопротивление изоляции
|
> 100Мом
(при Uисп=500В)
|
|
Механическая выносливость
|
10000 оборотов вала
|
| Крутящий момент |
0,3..2,0Н*см |
|
Диапазон температур
|
-10..+85°С
|
| Вал |
Ø6мм х 20мм |
|
|
В наличии потенциометры WTH-118 следующих номиналов:
|
Номинал
|
470om |
1,0Kом |
2,2Kom |
4,7Ком |
10Ком |
22Kом |
33Kом |
| Код товара |
9413 |
9414 |
9415 |
9416 |
9417 |
9418 |
9419 |
|
Номинал
|
47Kom |
100Kом |
220Kom |
330Ком |
470Ком |
1,0Mом |
2,0Mом |
| Код товара |
9420 |
9421 |
9422 |
9423 |
9424 |
9425 |
9426 |
О возможности поставки других номиналов спрашивайте!
|
Чертёж потенциометра WTH-118-2W:
 |
|
|
Условия поставки на заказ:
|
|
|
|
|
|
Производитель: Ruichi, Китай
|
ЦЕНА розничная: 120руб | от 10шт: 100руб | от 100шт: дог.руб | |
|
| Просмотров: 5
|
|
|