|

Корпус: DIP-14
|
$-IMAGE4$
Микросхема КМ555ИР8 (К555ИР8) выполнена по ТТЛШ технологии и представляет собой восьмиразрядный последовательный сдвиговый регистр с параллельным выходом. Регистр обеспечивает последовательную загрузку данных и параллельную выгрузку, а также общий сброс.
Регистр 74LS164 может применяться в качестве буферного запоминающего устройства для временного хранения данных, для преобразования последовательного кода в параллельный
|
|
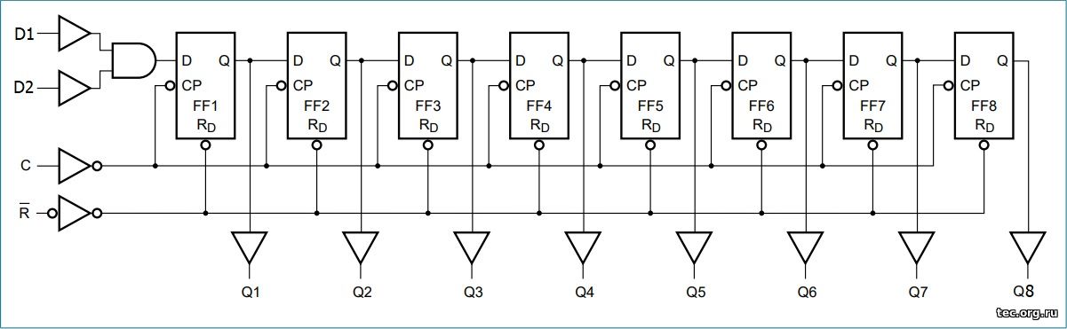
74LS164 (КМ555ИР8) - простой сдвиговый регистр. Он имеет два входа данных D, объединенных по "И", тактовый вход C, инверсный вход сброса R и параллельные выходы Q1-Q8.
Прием данных с последовательных входов D и сдвиг их в регистре осуществляется по положительному перепаду уровня сигнала на тактовом входе C.
Сброс всех выходов в нулевое состояние происходит подачей на вход R низкого уровня.
|
|
Условное обозначение м/с 555ИР8:
|
Назначение выводов м/с 555ИР8:
| 1 |
D1 |
Входы последовательных данных, объединенные по "И" |
| 2 |
D2 |
| 3 |
Q1 |
Выход данных |
| 4 |
Q2 |
Выход данных |
| 5 |
Q3 |
Выход данных |
| 6 |
Q4 |
Выход данных |
| 7 |
GND |
Общий вывод |
| 8 |
C |
Тактовый вход |
| 9 |
R |
Вход "сброс" |
| 10 |
Q5 |
Выход данных |
| 11 |
Q6 |
Выход данных |
| 12 |
Q7 |
Выход данных |
| 13 |
Q8 |
Выход данных |
| 14 |
+Ucc |
Плюс питания |
Основные параметры микросхемы КМ555ИР8:
|
Напряжение питания (Vcc)
|
+5В ±5%
|
| Входной ток ("0"), не более |
1,8мА |
| Входной ток ("1"), не более |
40мкА |
| Ток потребления (статический), max |
54мА
(тип.30-37мА) |
| Нагрузочная способность |
10 входов ТТЛ
(К555/74LS)
|
| Выходной уровень "0" |
< 0,4В |
| Выходной уровень "1" |
> 2,4В |
| Время задержки распространения |
15-20нс |
| Длительность фронта/спада "С" |
<50нс |
| Ёмкость нагрузки максимальная |
50пФ |
| Тактовая частота |
до 36МГц |
|
Рабочий диапазон температур
|
0oC..+70oC
|
|
Корпус
|
DIP-14
|
|
Отечественный аналог
|
К555ИР8
КМ555ИР8 |
|
|
|
Микросхема КМ555ИР8 по входным и выходным уровням сигналов совместима с другими ИС стандартной ТТЛ логики.
|
|
Функциональная схема микросхемы КМ555ИР8:
|
|
Таблица функционирования микросхемы 74LS164 (К555ИР8):
| Режим |
Входы |
Выходы |
| R |
C |
D1 |
D2 |
Q1 |
Q2 |
Q3 |
Q4 |
Q5 |
Q6 |
Q7 |
Q8 |
| Сброс |
0 |
X |
X |
X |
0 |
0 |
0 |
0 |
0 |
0 |
0 |
0 |
| Хранение |
1 |
0 |
X |
X |
Без изменений |
| 1 |
1 |
X |
X |
Без изменений |
|
Сдвиг
вправо
|
1 |
↑ |
1 |
1 |
1 |
Q1 |
Q2 |
Q3 |
Q3 |
Q5 |
Q6 |
Q7 |
| 1 |
↑ |
0 |
X |
0 |
Q1 |
Q2 |
Q3 |
Q4 |
Q5 |
Q6 |
Q7 |
| 1 |
↑ |
X |
0 |
0 |
Q1 |
Q2 |
Q3 |
Q4 |
Q5 |
Q6 |
Q7 |
|
|
Более подробные параметры микросхемы 74LS164 Вы можете получить скачав файл документации ниже (Datasheet на английском языке).
|
-
0 - низкий уровень
-
1 - высокий уровень
-
↑ - переход из 0 в 1
-
X - любое состояние
|