Приветствую Вас
Гость
|
RSS
Меню сайта
Главная страница
Информация о фирме
Электронные Компоненты
Телефонные Устройства
Прайс-лист
Наша потребность
Наши координаты
Оплата и доставка
Обратная связь
Новости сайта (Блог)
Гостевая книга
полезная информация
Реквизиты и документы
Наши гарантии
FAQ (вопрос/ответ)
Фотоальбом
Библиотека
Сотрудничество
Каталог сайтов
Главная
»
Электронные компоненты
»
РЕЗИСТОРЫ
»
Переменные Резисторы
ALPS-27 2x20Kom, 2x50Kom, 2x100Kom (A) Blue Velvet
Периодические поставки |
29.09.2025, 12:12:17
ЦЕНА розничная: 1500руб
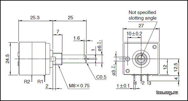
Сдвоенный потенциометр ALPS-27 (RK27) для аудио применений (серия Blue Velvet).
Тип: RK27
Характеристика: логарифмическая (А)
Диаметр вала: 6мм
Длина вала (L1): 25мм
Типономиналы потенциометров в наличии:
Код товара
Номинал
Вал
Цена
5338
2x10Kom
d=6mm гладкий
нет
7982
2x20Kom
d=6mm гладкий
1500р.
6492
2x50Kom
d=6mm гладкий
1500р.
7301
2x100Kom
d=6mm гладкий
1500р.
Чертёж потенциометра ALPS-27:
[
Скачать документацию на ALPS-27 2x20Kom, 2x50Kom, 2x100Kom (A) Blue Velvet
(156.8 Kb) ]
Производитель:
ALPS
ЦЕНА розничная: 1500руб
Код товара:
7301
Просмотров:
10842
Т Э К
Форма входа
Поиск
Copyright "ТЭК" © 2007-2026
Внимание! Информация на сайте носит ориентировочный рекламный характер и не является публичной офертой. Наличие и цену товаров уточняйте у наших менеджеров.