|
Корпус: DIP-16
|
Микросхема CD4022BE представляет собой счётчик-делитель на 8 с дешифратором на выходе.
Основные параметры CD4022BE:
| Uпит.раб. |
3-15V
|
| Uпит.max. |
18V |
| Уровни сигналов |
КМОП
(CD40xx/К561)
|
| Корпус |
DIP-16 |
| Максимальная частота (при Uп=15В) |
2МГц |
| Диапазон температур |
-10..+70°C |
| Аналог |
К561ИЕ9 |
Входные и выходные уровни сигналов зависят от напряжения питания и, в общем случае, соответствуют таковым у других микросхем серий КМОП-логики.
|
|
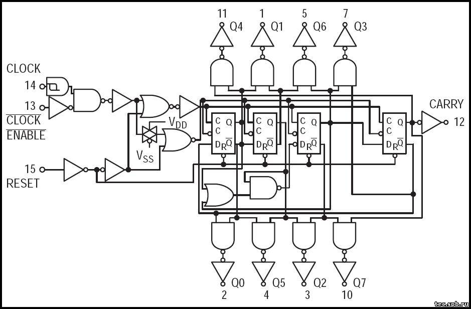
Внутренняя схема CD4022BE содержит четырёхкаскадный счётчик Джонсона и дешифратор, который преобразует двоичный код в позиционный сигнал, появляющийся последовательно на каждом выходе Q0-Q7. Высокий уровень на каждом выходе появляется только на период тактового импульса.
Если на входе разрешения счета CE присутствует низкий уровень, счёт идет синхронно с положительным перепадом на тактовом входе CLOCK. При высоком (запрещающем) уровне на входе CE счёт останавливается.
При высоком уровне на входе сброса RESET все триггеры счётчика сбрасываются в ноль и на выходе Q0 устанавливается активный высокий уровень.
Положительный фронт выходного сигнала переноса на выходе Cout появляется через 8 периодов тактовой последовательности и может использоваться как тактовый сигнал для последующего счётчика.
|
|
Работа микросхемы CD4022BE аналогична К561ИЕ8/CD4017BE за исключением коэффициента пересчета: у ИЕ8 коэффициент 10, у ИЕ9 - 8.
При подаче напряжения питания и отсутствии импульса сброса триггеры микросхемы могут стать в произвольное состояние, не соответствующее разрешенному состоянию счетчика. Однако в микросхемах К561ИЕ8/ИЕ9 есть специальная цепь формирования разрешенного состояния счетчика, и при подаче тактовых импульсов счетчик через несколько тактов перейдет в нормальный режим работы. Поэтому в делителях частоты, в которых точная фаза выходного сигнала не важна, допустимо не подавать на входы RESET микросхем импульсы начальной установки.
|
Таблица функционирования CD4022BE
| Clock |
CE |
Reset |
Активный выход |
| 0 |
X |
0 |
n |
| X |
1 |
0 |
n |
 |
0 |
0 |
n+1 |
 |
X |
0 |
n |
| 1 |
 |
0 |
n+1 |
| X |
 |
0 |
n |
| X |
X |
1 |
Q0 |
0 - низкий уровень, 1- высокий уровень,
X - произвольное состояние,
n - текущее состояние (номер выхода)
При n<4 Сout=1, иначе Cout=0.
|